Make small-and medium-batch PCB & PCBA production simpler and more reliable!

Learn more

Global high-mix volume high-speed PCBA manufacturer

Help Center  
Sending a message
Open Hours:9:00-21:00 (GMT+8)
Service hotlines

9:00 -18:00, Mon. - Fri. (GMT+8)

9:00 -12:00, Sat. (GMT+8)

(Except Chinese public holidays)

X

Remote Control Circuits| A Comprehensive Guide

7813

Remote control circuits are an important technology in most modern electronic equipment, and users can remotely control the equipment without directly touching it. As an indispensable part of modern electronic equipment, remote control circuits have been widely used in household appliances, toys, smart homes, and other fields. By transmitting and receiving signals to enable remote control devices to be switched on, adjusted and operated, remote control circuits have revolutionized the way people control electronic devices.


Understanding Remote Control Circuits


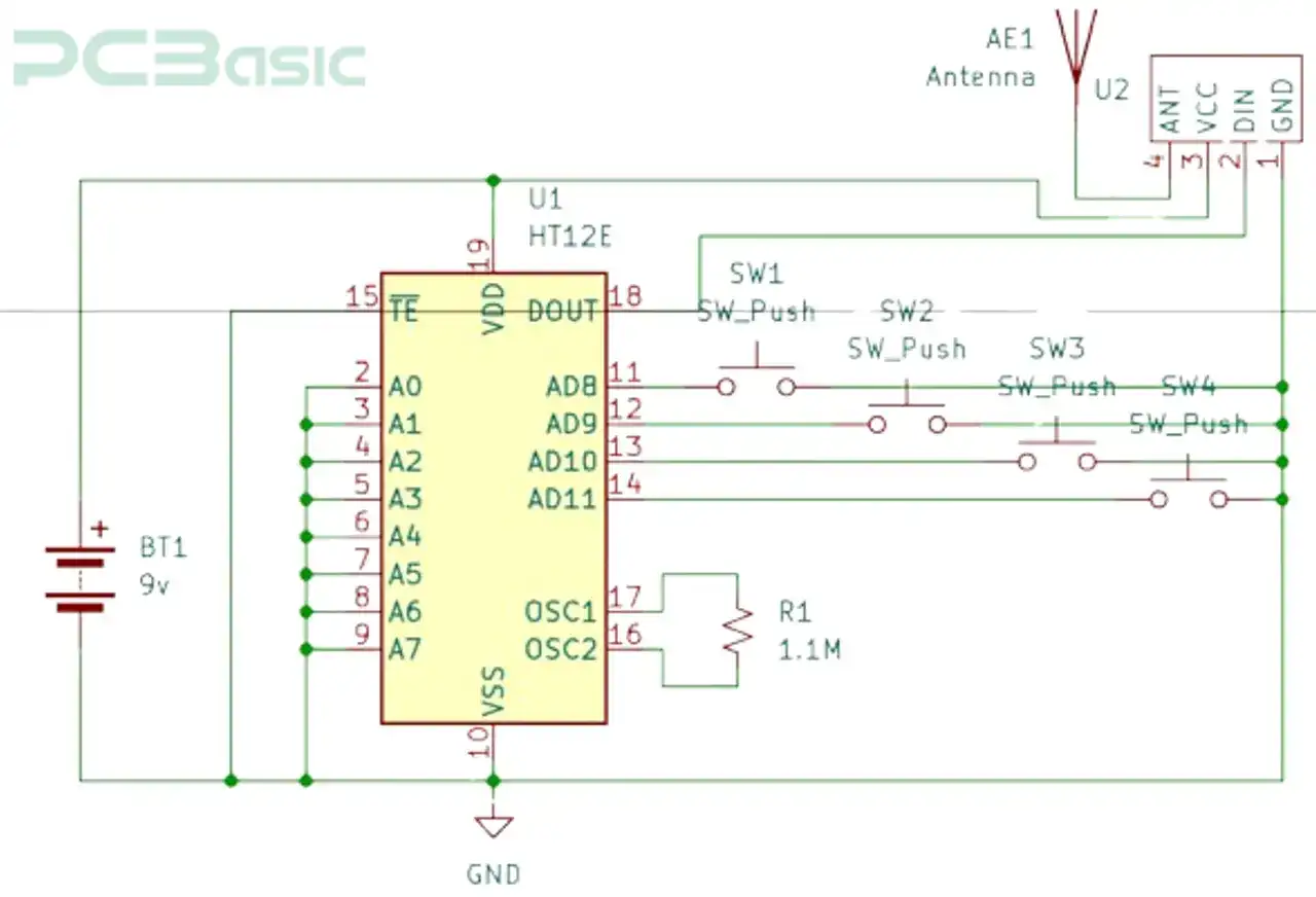
RC Cars Transmitter Circuit Diagram


The remote control circuit is essentially an electronic system, which is mainly completed with two devices: the transmitter and the receiver. The transmitter sends out a signal, and the receiver receives and performs a specific function. The control circuit is usually embedded in the transmitter and receiver, forming the backbone of the system. This remote control can be achieved through different technologies, such as the common infrared (IR), radio frequency (RF) or Bluetooth. This control circuit system allows us to remotely control devices, making life more convenient.

  

PCB services from PCBfast   

Types of Remote Control Circuits


The types of remote control circuits can be classified in detail according to the method of signal transmission. Different transmission technologies determine the working principle, transmission range, anti-interference ability and applicable scenarios of the remote control system. Common signal transmission technologies include infrared (IR), radio frequency (RF), Bluetooth and so on. Each technology has its own unique characteristics and application fields.


Infrared (IR) Remote Control Circuits


Infrared (IR) Remote Control Circuits


Infrared (IR) remote control circuits are one of the most widely used types of remote control circuits in life, especially in household equipment such as televisions, DVD players and air conditioners. A remote control consists of an IR transmitter circuit that produces a light wave with a defined frequency (infrared light signal), as in a TV remote control. The device receives the signal through its IR receiver and decodes it and performs routine actions such as switching on the TV or changing the channel.


Radio Frequency (RF) Remote Control Circuits


Radio Frequency (RF) Remote Control Circuits


RF remote control circuits transmit signals and communicate between two devices by generating RF waves. Waves within the radio frequency spectrum are used as a medium for the propagation of the signal. In contrast to IR, RF signals can go straight through walls, which makes them ideal for remote control situations in longer ranges or that go through obstacles. RF circuits are popularly used in garage door openers, drones and car alarms. An RF remote control circuit includes an RF transmitter and RF receiver. The transmitter circuit sends the modulated signal through air and the receiver circuit receives and demodulates the signal to actuate the device.


Bluetooth Remote Control Circuits


Bluetooth Remote Control Circuits


Bluetooth remote control circuits use Bluetooth technology to achieve short-distance communication between devices. This circuit is widely used in modern devices such as smartphones, wireless audio and smart home systems. Bluetooth remote control circuits typically rely on a combination of transmitter circuits (usually integrated within the device) and Bluetooth receivers to establish connections and exchange data.


About PCBfast



Time is money in your projects – and PCBfast gets it. PCBasic is a PCB assembly company that delivers fast, flawless results every time. Our comprehensive PCB assembly services include expert engineering support at every step, ensuring top quality in every board. As a leading PCB assembly manufacturer, we provide a one-stop solution that streamlines your supply chain. Partner with our advanced PCB prototype factory for quick turnarounds and superior results you can trust.



Essential Components of a Remote Control Circuit


The working principle of remote control circuits is the collaboration of a series of core components, including transmitters, receivers, control circuits and power supplies. All these basic components form the backbone of the remote control system, allowing us to easily and remotely control various devices.


Transmitter


The transmitter is a component sending the signal from the remote control device. Whether it is an IR transmitter or an RF transmitter, this circuit is responsible for generating the signal and encoding the data.


Receiver


The receiver detects the signal sent by the transmitter and decodes it. In the IR remote control, the IR receiver receives the modulated optical signal and converts it into an electrical signal. Similarly, an RF or Bluetooth receiver decodes the transmitted signal for use in controlling devices.


Power Source


The power source is necessary for the transmitter and receiver circuits to provide power for the entire circuit. In a remote control, the power source is usually a small battery.


Circuit Board


The circuit board is the physical basis of all remote control circuits. All components are mounted on the circuit board. It connects all the components, including IR sensors, transmitters, receivers and other components, allowing them to communicate with each other and work correctly.


Servo


Servo motors are commonly used in remote control circuits to precisely control movement, such as in robots or remote-controlled vehicles.

  

PCB design and assembly services from PCBfast 

Applications of Remote Control Circuits


Remote control circuits are widely used in modern technology.


TV remote controls: IR remote control circuits are widely used in TV remote controls to adjust channels, volume and power Settings.


Industrial control systems: Remote control circuits are used to operate industrial equipment, from production lines to robotic arms.


Smart home: Bluetooth and RF circuits are used to control smart home systems such as lighting, temperature control, and security cameras.


Toys and drones: Remote-controlled vehicles and drones use RF and Bluetooth circuits for remote operation.


Remote control circuit breakers: Several remote control systems are operated circuit breakers that can be provided in industrial applications to switch power on and off efficiently at a distance.

 

Remote control circuits are an integral part of modern life, allowing the communication and control of numerous devices without the need for wires. Remote control circuits are gradually being advanced with the progress in technology to provide you with convenience and control in this connected world.

About Author

John William

John boasts over 15 years of experience in the PCB industry, focusing on efficient production process optimization and quality control. He has successfully led teams in optimizing production layouts and manufacturing efficiency for various client projects. His articles on PCB production process optimization and supply chain management offer practical references and guidance for industry professionals.

Assemble 20 PCBs for $0

Assembly Enquiry

Upload File

Instant Quote

x
Upload File

Phone contact

+86-18823323902

In addition, we've prepared a Help Center. We recommend checking it before reaching out, as your question and its answer may already be clearly explained there.

Wechat Support

In addition, we've prepared a Help Center. We recommend checking it before reaching out, as your question and its answer may already be clearly explained there.

WhatsApp Support

In addition, we've prepared a Help Center. We recommend checking it before reaching out, as your question and its answer may already be clearly explained there.